
产品名称: | 进口LN2/LAr低温止回阀 | 产品型号: | NCCK16D |
公称通径: | DN10-DN200 | 美标通径: | 3/8”~8” |
连接形式: | 法兰连接、焊接式 | ||
公称压力: | 1.6Mpa~35Mpa | 美标压力: | 150LB~2500LB |
适用温度: | +40ºC ~ -196ºC | 功能作用: | 防止介质倒流 |
适用介质: | LN2液氮、LN2液氮等 | 安装位置 | 管道 |
阀体材质: | LCB低温钢、不锈钢304 | 结构形式: | 升降式、旋启式 |
测试压力: | 水压1.5倍无渗漏 | 生产厂家: | 美国NICO尼科工业 |
进口LN2液氮LAr液氩止回阀适用于介质单向流动的管路上,阻止介质回流,以防发生事故。主要用于LO2、LN2、LAr、LNG、LC2H4、乙烯、液氧、液氢、液氮、液氨、液态丙烷、液化天然气、液化石油产品等各类系统中防止介质回流。


1、产品结构紧凑合理、密封可靠、性能优良。
2、体积小、重量轻。
3、适用范围广。
4、阀瓣关闭快速、动作灵敏。
5、关闭冲击力小、不易产生水锤现象。
6、流道通畅、流体阻力小。
产品型号 | NCCK16D-16P-40P | 重量 | ||||
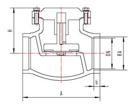
产品代号 | 通径 | 尺寸(mm) | ||||
A | H | b | RA | |||
NCCK16D-16P-25P-40P | 10 | 70 | 52 | 8 | 14.5 | 0.7 |
NCCK16D-16P-25P-40P | 15 | 80 | 55 | 8 | 18.5 | 0.8 |
NCCK16D-16P-25P-40P | 20 | 90 | 67 | 8 | 25.5 | 1.1 |
NCCK16D-16P-25P-40P | 25 | 100 | 70 | 8 | 32.5 | 1.2 |
NCCK16D-16P-25P-40P | 32 | 110 | 79 | 10 | 38.5 | 2.8 |
NCCK16D-16P-25P-40P | 40 | 120 | 83 | 10 | 45.5 | 3.3 |
NCCK16D-16P-25P-40P | 50 | 150 | 106 | 15 | 57.5 | 7.1 |
NCCK16D-16P-25P-40P | 65 | 180 | 110 | 15 | 76.5 | 9.3 |
NCCK16D-16P-25P-40P | 80 | 210 | 135 | 15 | 89.5 | 16.4 |
NCCK16D-16P-25P-40P | 100 | 250 | 150 | 20 | 108.5 | 21.3 |
NCCK16D-16P-25P-40P | 125 | 300 | 175 | 25 | 133.5 | 29.6 |
NCCK16D-16P-25P-40P | 150 | 350 | 200 | 25 | 159.5 | 41.7 |
NCCK16D-16P-25P-40P | 200 | 430 | 235 | 25 | 220 | 62.8 |

产品型号 | DH61Y-64P-320P | 重量 | |||||
产品代号 | 通径 | 尺寸(mm) | |||||
A | b | D | a | H | |||
NCCK16D-64P-100P-160P-320P | 10 | 100 | 10 | 18 | 4 | 80 | 4.9 |
NCCK16D-64P-100P-160P-320P | 15 | 120 | 10 | 22 | 4 | 85 | 5.3 |
NCCK16D-64P-100P-160P-320P | 20 | 120 | 12 | 28 | 4 | 105 | 6.3 |
NCCK16D-64P-100P-160P-320P | 25 | 150 | 12 | 34 | 4.5 | 110 | 6.9 |
NCCK16D-64P-100P-160P-320P | 40 | 180 | 15 | 49 | 4.5 | 165 | 15.1 |
NCCK16D-64P-100P-160P-320P | 50 | 200 | 15 | 61 | 5 | 180 | 18.5 |