
G41F46不锈钢衬氟隔膜阀@德国NOOK诺克将阀体下部内腔与阀盖内腔隔开,并与之形成直流通道,使隔膜上部的阀杆、阀瓣等内件与介质完全隔离,省去填料密封结构,介质的内漏和外漏可同时避免。表面均匀包覆一层FEP。阀体通道内表面光滑,流体阻力小,CV值高,流通能力强,扭矩适中,采用四级密封结构并在密封面外配以耐温抗老化的SI橡胶的弹性衬垫阀座,完全达到介质的零泄漏。
1、弹性密封的开闭件,确保没有内漏;
2、流线型的流道,使得压力损失小;
3、没有填料函,因此没有外漏;
4、阀体与盖被中间隔膜隔开,使得隔膜上方的阀盖,阀杆零件不受介质侵蚀;
5、隔膜可更换,维护费用低;
6、衬氟材料的多样性,可适用于各种介质,并具有良好的耐腐蚀性。
| 手动 | G41F3 | 直流式 | G45F3 |
| G41F46 | G45F46 | ||
| 气动 | G641F3 | 电动 | G941F3 |
| G641F46 | G941F46 |
| 序号 | 零件名称 | 灰铸铁 | 铸钢 | 不锈耐酸铸钢 | 超低不锈钢耐酸铸钢 | ||
| Z | C | P | R | P | R | ||
| 1 | 阀体/阀盖 | HT250 | WCB | CF8 | CF8M | CF3 | CF3M |
| 2 | 阀瓣/阀杆 | 35 | 1cr13 | 1Cr18Ni9Ti | 1Cr18Ni12Mo2Ti | 00cr18Ni10 | 00Cr17Ni14Mo2 |
| 3 | 衬里/阀座 | PTFE(F4)、PCTFE(F3)、FEP(F46)、PFA(可溶性F4) | |||||
| 4 | 隔膜 | FEP(F46)/CR(氯丁橡胶)、PFA(可溶性F4)/FPDM(乙丙橡胶) | |||||
| 5 | 支架 | WCB | CF8 | CF8 | |||
| 6 | 阀杆螺母 | ZCuAI10Fe3 | ZCuAI10Fe3 | ZCuAI10Fe3 | |||
| 7 | 紧固螺栓 | 35 | 1Cr17Ni2 | 1Cr18Ni9Ti | |||
| 8 | 螺母 | 45 | 0Cr18Ni9 | 0Cr18Ni9 | |||
| 9 | 手轮 | WCB | WCB | WCB | |||

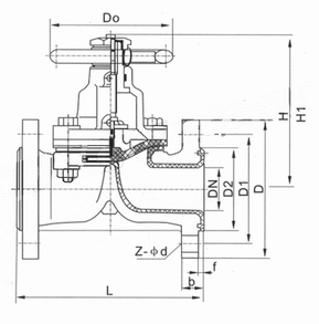
| 公称通径 | 标准值 | 参考值 | ||||||||||
| DN(mm) | NPS(inch) | L | D | D1 | D2 | f | b | Z-фd | Do | H | H1 | WT(kg) |
| PN0.6MPa / PN1.0MPa | ||||||||||||
| 15 | 1/2 | 125 | 95 | 65 | 45 | 2 | 14 | 4-ф14 | 100 | 105 | 110 | 3.5 |
| 20 | 3/4 | 135 | 105 | 75 | 55 | 2 | 16 | 4-ф14 | 100 | 115 | 125 | 4 |
| 25 | 1 | 145 | 115 | 85 | 65 | 2 | 16 | 4-ф14 | 120 | 120 | 135 | 5.5 |
| 32 | 11/4 | 160 | 135 | 100 | 78 | 2 | 18 | 4-ф18 | 120 | 125 | 150 | 8 |
| 40 | 11/2 | 180 | 145 | 110 | 85 | 3 | 18 | 4-ф18 | 140 | 135 | 175 | 11 |
| 50 | 2 | 210 | 160 | 125 | 100 | 3 | 20 | 4-ф18 | 140 | 155 | 195 | 14 |
| 65 | 21/2 | 250 | 180 | 145 | 120 | 3 | 20 | 4-ф18 | 200 | 170 | 200 | 23 |
| 80 | 3 | 300 | 195 | 160 | 135 | 3 | 22 | 4-ф18 | 200 | 200 | 255 | 29 |
| 100 | 4 | 350 | 215 | 180 | 155 | 3 | 22 | 8-ф18 | 280 | 270 | 325 | 46 |
| 125 | 5 | 400 | 245 | 210 | 185 | 3 | 24 | 8-ф18 | 320 | 335 | 405 | 70 |
| 150 | 6 | 460 | 280 | 240 | 210 | 3 | 24 | 8-ф23 | 320 | 370 | 450 | 95 |
| 200 | 8 | 570 | 335 | 295 | 265 | 3 | 26 | 8-ф23 | 400 | 480 | 600 | 170 |
| 250 | 10 | 680 | 390 | 350 | 320 | 3 | 28 | 12-ф23 | 500 | 545 | 620 | 270 |
| 300 | 12 | 790 | 435 | 395 | 362 | 4 | 24 | 12-ф23 | 500 | 585 | 680 | 320 |
| PN1.6MPa | ||||||||||||
| 15 | 1/2 | 130 | 95 | 65 | 45 | 2 | 14 | 4-ф14 | 120 | 110 | 115 | 4 |
| 20 | 3/4 | 150 | 105 | 75 | 55 | 2 | 16 | 4-ф14 | 120 | 120 | 130 | 5 |
| 25 | 1 | 160 | 115 | 85 | 65 | 2 | 16 | 4-ф14 | 140 | 125 | 140 | 6 |
| 32 | 11/4 | 180 | 135 | 100 | 78 | 2 | 18 | 4-ф18 | 140 | 130 | 155 | 9 |
| 40 | 11/2 | 200 | 145 | 110 | 85 | 3 | 18 | 4-ф18 | 160 | 140 | 180 | 12 |
| 50 | 2 | 230 | 160 | 125 | 100 | 3 | 20 | 4-ф18 | 160 | 160 | 200 | 15 |
| 65 | 21/2 | 290 | 180 | 145 | 120 | 3 | 20 | 4-ф18 | 200 | 175 | 205 | 24 |
| 80 | 3 | 310 | 195 | 160 | 135 | 3 | 22 | 8-ф18 | 200 | 205 | 260 | 30 |
| 100 | 4 | 350 | 215 | 180 | 155 | 3 | 24 | 8-ф18 | 280 | 275 | 330 | 48 |
| 125 | 5 | 400 | 245 | 210 | 185 | 3 | 26 | 8-ф18 | 320 | 340 | 410 | 75 |
| 150 | 6 | 480 | 280 | 240 | 210 | 3 | 28 | 8-ф23 | 320 | 375 | 460 | 105 |
| 200 | 8 | 600 | 335 | 295 | 265 | 3 | 30 | 12-ф23 | 400 | 485 | 605 | 182 |
| 250 | 10 | 730 | 405 | 355 | 320 | 3 | 32 | 12-ф25 | 500 | 550 | 625 | 295 |
| 300 | 12 | 850 | 460 | 410 | 375 | 4 | 34 | 12-ф25 | 500 | 590 | 685 | 345 |