产品说明
D971J电动全衬胶蝶阀@德国NOOK诺克是采用一体化结构,接入220VAC电源即可控制运转,也可加入控制模块,输入控制信号(4-20mADC或1-5VDC)进行调节控制。适用于温度≤150℃,弱腐蚀或洁净度有一定要求工况,在食品、医药、化工、石油、电力、轻纺、造纸等给排水、气体管道上作调节流量和截流介质的作用。
产品特点
1、密封件可以更换,密封性能可靠达到双向密封零泄漏。
2、操力矩小,操作方便,省力灵巧。
3、可以任何位置安装,维修方便。
4、设计新颖、合理、结构独特,重量轻,启闭迅速。
5、密封材料耐老化、耐弱腐蚀,使用寿命长等特点。
主要技术参数
| 公称通径 | DN(mm) | 50~2000 |
| 公称压力 | PN(MPa) | 0.6 | 1.0 | 1.6 |
| 试验压力 | 强度试验 | 0.9 | 1.5 | 2.4 |
| 密封试验 | 0.66 | 1.1 | 1.76 |
| 气密封试验 | 0.6 | 0.6 | 0.6 |
| 适用介质 | 空气、水、污水、蒸气、煤气、油品等。 |
| 驱动形式 | 手动、蜗杆蜗轮传动、气动、电动。 |
主要零件材料
| 零件名称 | 材料 |
| 阀体 | 球墨铸铁、铸钢、合金钢、不锈钢 |
| 蝶板 | 不锈钢2507、1.4529、球铁衬胶及特殊材料 |
| 密封圈 | 各种橡胶、聚四氟 |
| 阀杆 | 2Cr13、不锈钢 |
| 填料 | O型圈、柔性石墨O |
密封材料选用和适用温度
| 材料品种 | 氯丁橡胶 | 丁晴橡胶 | 乙丙橡胶 | 聚四氟乙烯 | 硅橡胶 | 氟橡胶 | 天然橡胶 |
| 英语简称 | CR | NBR | EPDM | PTFE | SI | VITON | NR |
| 型号代号 | X或J | XA或JA | XB或JB | F或XC、JC | XD或JD | XE或JE | X1 |
| 耐最高温度 | 82℃ | 93℃ | 150℃ | 232℃ | 250℃ | 204℃ | 85℃ |
| 耐最低温度 | -40℃ | -40℃ | -40℃ | -268℃ | -70℃ | -23℃ | -20℃ |
| 适用工作温度 | 0~+80℃ | -20~+82℃ | -40~+125℃ | -30~+150℃ | -70~+150℃ | -23~+150℃ | -20~+85℃ |
电动执行器
| 执行器类别 | 引进型RDK系列执行器参数 | 引进型3610R系列执行器参数 | 引进型HQ系列执行器参数 |
| 电源电压 | 标准:220V AC单相 可选:110V AC 单相、380/440V AC 三相、24V/110V/220V AC |
| 输出力矩 | 50N·M~2000N·M | 50N·M~1500N·M | 50N·M~3000N·M |
| 动作范围 | 0~90° 0~360° | 0~90° | 0~90°、0°~270°可选 |
| 控制方式 | 开关到位灯(开关两位控制)、无源触点信号、1/5K电位计、智能调节(4~20mA模拟量信号控制) |
| 动作时间 | 15秒/30秒/60秒 | 10秒/15秒/30秒 | 18S~112S |
| 保护装置 | 过热保护 | 过载保护 | 内置过热保护、过载保护 |
| 环境温度 | -30°~60° | -30°~60° | -20℃~+70℃ |
| 手动操作 | 同附带手柄操作 | 同附带手柄操作 | 机械离合机构,配手轮操作 |
| 机械限位 | 电气、机械二重限位 | 电气、机械二重限位 | 2个外部调整螺栓 |
| 防护等级 | IP65 | IP55 | IP65、IP67、可定制IP68 |
| 防爆等级 | 无防爆 | ExdⅡ BT4 | ExdⅡ BT4,ExdⅡ CT6 |
| 位置测量 | 可选装开关或电位计 | 比例控制单元 | 电位计、比例控制单元 |
| 驱动电机 | 8W/E | AC可逆电机 | 鼠笼式异步电机 |
| 进线接口 | PE1/2〞进线线锁 | 2-PF 1/2〞进线线锁 | 2个 PF 3/4” |
| 壳体材料 | 铝合金 | 钢,铝合金 | 钢,铝合金,铝青铜,聚碳酸脂 |
| 外涂层 | 干粉,环氧聚酯,具有超强防腐功能 |
(1)功能强劲:智能型、调节型、开关式。
(2)体积小巧:体积仅相当于同类产品的35%左右。
(3)使用方便:采用单相电源,接线简单;采用独创的球型凸出结构,使观察更方便;免加油免点检、防水防锈、任意角度安装。
(4)保护装置有双重限位、过热保护、过载保护。全行程时间15秒、30秒、45秒、60秒。及带手动功能。
(5)智能数控:内置模块采用先进计算机单片及智能控制软件直接接收计算机或工业仪表等输出的标准信号(4-20mA DC /1-5VDC)实现阀门开度的智能控制和精确定位。
也可选用3810系列或NA系列电子式角行程执行机构.亦可选用PSQ系列或DYR系列。≥DN400口径阀门一般采用380VAC电动执行器。
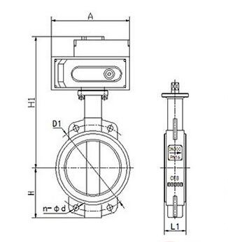
外形结构图

主要外形连接尺寸
| DN | L | H | H1 | A | B | ФD |
| 0.6MPa | 1.0MPa | 1.6MPa |
| 50 | 43 | 77 | 443 | 125 | 125 | 88 | 99 | 99 |
| 65 | 46 | 85 | 463 | 125 | 125 | 108 | 118 | 118 |
| 80 | 46 | 95 | 483 | 125 | 125 | 124 | 132 | 132 |
| 100 | 52 | 105 | 498 | 125 | 125 | 144 | 156 | 156 |
| 125 | 56 | 129 | 682 | 325 | 245 | 174 | 184 | 184 |
| 150 | 56 | 132 | 736 | 325 | 245 | 199 | 211 | 211 |
| 200 | 60 | 165 | 800 | 325 | 245 | 254 | 266 | 266 |
| 250 | 68 | 197 | 895 | 363 | 313 | 309 | 319 | 319 |
| 300 | 78 | 234 | 956 | 363 | 313 | 363 | 370 | 370 |
| 350 | 78 | 283 | 1029 | 363 | 313 | 413 | 429 | 429 |
| 400 | 102 | 325 | 1103 | 363 | 313 | 463 | 480 | 480 |
| 450 | 114 | 369 | 1186 | 465 | 469 | 518 | 530 | 548 |
| 500 | 127 | 404 | 1280 | 546 | 431 | 568 | 582 | 609 |
| 600 | 154 | 470 | 1321 | 546 | 556 | 667 | 682 | 720 |
| 700 | 165 | 503 | 1431 | 546 | 556 | 772 | 794 | 794 |
| 800 | 190 | 571 | 1542 | 546 | 556 | 878 | 901 | 901 |
| 900 | 203 | 621 | 1800 | 617 | 706 | 978 | 1001 | 1001 |
| 1000 | 216 | 702 | 2363 | 632 | 706 | 1078 | 1112 | 1112 |
| 1200 | 254 | 818 | 2583 | 632 | 706 | 1295 | 1328 | 1328 |
进口电动全衬胶蝶阀热门搜索
进口球阀
进口蝶阀
进口闸阀
进口针型阀
进口调节阀
进口电磁阀
进口疏水阀
进口排气阀
进口减压阀
进口阻火器
进口过滤器
进口截止阀
进口安全阀
进口隔膜阀
进口止回阀
进口角座阀
进口真空阀
进口呼吸阀
进口平衡阀
进口旋塞阀
进口放料阀
进口过滤器
进口排污阀
进口排泥阀
进口切断阀
进口管夹阀
进口柱塞阀
进口底阀
进口视镜
进口法兰
进口水力控制阀