产品说明
D641X气动法兰蝶阀@德国NOOK诺克是由气动活塞式执行器、橡胶密封蝶阀和碳钢或不锈钢阀板、阀杆构成。气动法兰蝶阀适用于温度≤120℃如食品、医药、化工、石油、电力、轻纺、造纸等给排水、气体管道上作调节流量和截流介质的作用。
主要特点
(1)设计新颖、合理、结构独特,重量轻,启闭迅速。
(2)操力矩小,操作方便,省力灵巧。
(3)可以任何位置安装,维修方便。
(4)密封件可以更换,密封性能可靠达到双向密封零泄漏。
(5)密封材料耐老化、耐腐蚀,使用寿命长等特点。
设计标准
| 设计标准 | GB/T12238-1989 |
| 法兰连接尺寸 | GB/T9113.1-2000;GB/T9115.1-2000;JB78 |
| 结构长度 | GB/T12221-1989 |
| 压力试验 | GB/T13927-2000;JB/T9092-1999 |
技术参数
| 公称通径DN(mm) | DN50~1000mm |
| 公称压力(MPa) | PN1.0、1.6、2.5MPa |
| 阀体形式 | 直通铸造阀体 |
| 连接形式 | 法兰式、对夹式 |
| 阀芯形式 | 蝶板式 |
| 密封填料 | 柔性石墨、聚四氟乙烯 |
| 基本误差 | 带定位器:小于全行程的±2% |
| 回差 | 带定位器:小于全行程的±2% |
| 控制方式 | 开关型(开关两位控制)、调节型(4~20mA控制) |
气动执行器参数
| 执行器型号 | GT、AT、AR、AW系列单双作用气动执行器 |
| 供气压力 | 0.4~0.7MPa |
| 气源接口 | G1/4"、G1/8"、G3/8"、G1/2" |
| 环境温度 | -30~+70℃ |
| 作用形式 | 单作用执行机构:气关式(B)--失气时阀位开(FO);气开式(K)--失气时阀位关(FC) 双作用执行机构:气关式(B)--失气时阀位保持(FL);气开式(K)-- 失气时阀位保持(FL) |
| 可配附件 | 定位器、电磁阀、空气过滤减压器、保位阀、行程开关、阀位传送器、手轮机构等 |
采用新型系列气动执行器,有双作用式和单作用式(弹簧复位),齿轮齿条传动,安全可靠;大口径阀门采用系列AW型气动执行器拔叉式传动,结构合理,输出扭矩大,有双作用式和单作用式。
1、齿轮式双活塞,输出力矩大,体积小。
2、气缸选用铝金材料,重量轻、外形美观。
3、可在顶部、底部安装手动操作机构。
4、齿条式连接可调节开启角度、额定流量。
5、执行器可选带电讯号反馈指示及各类附件以实现自动化操作。
6、IS05211标准连接为产品的安装更换提供了方便。
7、两端调的节螺钉可使标准产品在0°和90°有±4°的可调范围。确保与阀门的同步精度。
零件材料
| 零件名称 | 主要材料 |
| 阀体 | 灰铸铁、球墨铸铁、铸钢、合金钢、不锈钢 |
| 蝶板 | 灰铸铁、球墨铸钢、铸钢、不锈钢及特殊材料 |
| 密封圈 | 各种橡胶、聚四氟 |
| 阀杆 | 2Cr13、不锈钢 |
| 填料 | O型圈、柔性石墨O |
性能规范
| 公称通径 | DN(mm) | 50~1000 |
| 公称压力 | PN(MPa) | 0.6 | 1.0 | 1.6 |
| 试验压力 | 强度试验 | 0.9 | 1.5 | 2.4 |
| 密封试验 | 0.66 | 1.1 | 1.76 |
| 气密封试验 | 0.6 | 0.6 | 0.6 |
| 适用介质 | 空气、水、污水、蒸气、煤气、油品等。 |
| 驱动形式 | 气动传动 |
密封材料和适用温度
| 材料品种 | 氯丁橡胶 | 丁晴橡胶 | 乙丙橡胶 | 聚四氟乙烯 | 硅橡胶 | 氟橡胶 | 天然橡胶 | 尼龙 |
| 英语简称 | CR | NBR | EPDM | PTFE | SI | VITON | NR | PA |
| 型号代号 | X或J | XA或JA | XB或JB | F或XC、JC | XD或JD | XE或JE | X1 | N |
| 耐最高温度 | 82℃ | 93℃ | 150℃ | 232℃ | 250℃ | 204℃ | 85℃ | 93℃ |
| 耐最低温度 | -40℃ | -40℃ | -40℃ | -268℃ | -70℃ | -23℃ | -20℃ | -73℃ |
| 适用工作温度 | 0~+80℃ | -20~+82℃ | -40~+125℃ | -30~+150℃ | -70~+150℃ | -23~+150℃ | -20~+85℃ | -30~+93℃ |
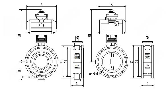
外形结构图

主要外形尺寸
| 公称通径 | 长度 | 外形尺寸(参考值) | 连接尺寸(标准值) |
| 0.6MPa | 1.0MPa | 1.6MPa |
| 毫米 | 英寸 | L | H | H1 | A | D | D1 | n-d | D | D1 | n-d | D | D1 | n-d |
| 50 | 2 | 108 | 63 | 315 | 180 | 140 | 110 | 4-14 | 165 | 125 | 4-18 | 165 | 125 | 4-18 |
| 65 | 21/2 | 112 | 70 | 330 | 180 | 160 | 130 | 4-14 | 185 | 145 | 4-18 | 185 | 145 | 4-18 |
| 80 | 3 | 114 | 83 | 390 | 245 | 190 | 150 | 4-18 | 200 | 160 | 8-18 | 200 | 160 | 8-18 |
| 100 | 4 | 127 | 105 | 431 | 240 | 210 | 170 | 4-18 | 220 | 180 | 8-18 | 220 | 180 | 8-18 |
| 125 | 5 | 140 | 115 | 455 | 240 | 240 | 200 | 8-18 | 250 | 210 | 8-18 | 250 | 210 | 8-18 |
| 150 | 6 | 140 | 137 | 626 | 350 | 265 | 225 | 8-18 | 285 | 240 | 8-22 | 285 | 240 | 8-22 |
| 200 | 8 | 152 | 164 | 720 | 350 | 320 | 280 | 8-18 | 340 | 295 | 8-22 | 340 | 295 | 12-22 |
| 250 | 10 | 165 | 206 | 800 | 550 | 375 | 335 | 12-18 | 395 | 350 | 12-22 | 405 | 355 | 12-26 |
| 300 | 12 | 178 | 230 | 860 | 600 | 440 | 395 | 12-22 | 445 | 400 | 12-22 | 460 | 410 | 12-26 |
| 350 | 14 | 190 | 248 | 883 | 600 | 490 | 445 | 12-22 | 505 | 460 | 16-22 | 520 | 470 | 16-26 |
| 400 | 16 | 216 | 289 | 972 | 600 | 540 | 495 | 16-22 | 565 | 515 | 16-26 | 580 | 525 | 16-30 |
| 450 | 18 | 222 | 320 | 1043 | 750 | 595 | 550 | 16-22 | 615 | 565 | 20-26 | 640 | 585 | 20-30 |
| 500 | 20 | 229 | 343 | 1098 | 750 | 645 | 600 | 20-22 | 670 | 620 | 20-26 | 715 | 650 | 20-33 |
| 600 | 24 | 267 | 413 | 1236 | 750 | 755 | 705 | 20-26 | 780 | 725 | 20-30 | 840 | 770 | 20-36 |
| 700 | 28 | 430 | 478 | 1431 | 750 | 860 | 810 | 24-26 | 895 | 840 | 24-30 | 910 | 840 | 24-36 |
| 800 | 32 | 470 | 525 | 1488 | 750 | 975 | 920 | 24-30 | 1015 | 950 | 24-33 | 1025 | 950 | 24-39 |
| 900 | 36 | 510 | 620 | 1615 | 1250 | 1075 | 1020 | 24-30 | 1115 | 1050 | 28-33 | 1125 | 1050 | 28-39 |
| 1000 | 40 | 550 | 725 | 1765 | 1500 | 1175 | 1120 | 28-30 | 1230 | 1160 | 28-36 | 1255 | 1170 | 28-42 |
| 1200 | 48 | 630 | 780 | 1976 | 1500 | 1405 | 1340 | 32-33 | 1455 | 1380 | 32-39 | 1485 | 1390 | 32-48 |
进口气动法兰蝶阀热门搜索
进口球阀
进口蝶阀
进口闸阀
进口针型阀
进口调节阀
进口电磁阀
进口疏水阀
进口排气阀
进口减压阀
进口阻火器
进口过滤器
进口截止阀
进口安全阀
进口隔膜阀
进口止回阀
进口角座阀
进口真空阀
进口呼吸阀
进口平衡阀
进口旋塞阀
进口放料阀
进口过滤器
进口排污阀
进口排泥阀
进口切断阀
进口管夹阀
进口柱塞阀
进口底阀
进口视镜
进口法兰
进口水力控制阀