nookgroup@126.com
+0592-7113982
首页
企业介绍
产品中心
进口阀门
进口泵浦
进口鼓风机
进口流量计
服务中心
产品服务
售后服务
新闻中心
公司新闻
泵浦知识
阀门知识
联系我们
0592-7113982
portfolio
Home
-
Portfolio
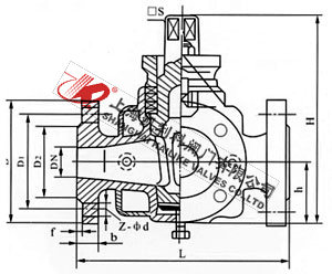
产品说明X44T-1.0三通铜芯旋塞阀@德国NOOK诺克是关闭件或柱塞形的旋转阀,通过旋转90度使阀塞上的通道口与阀体上的通道口相通或分开,实现开启或关闭的一种阀门。旋塞阀广泛地应用于油田开采、输送和精练设备中,同时也广泛用于石油化工、化工、煤气、天然气、液化石油气、暖通行业以及一般工业中。工作原理···
进口三通铜芯旋塞阀
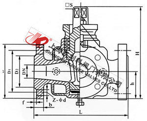
产品说明X14T-1.0三通内螺纹铜芯旋塞阀@德国NOOK诺克是关闭件或柱塞形的旋转阀,通过旋转90度使阀塞上的通道口与阀体上的通道口相通或分开,实现开启或关闭的一种阀门。旋塞阀广泛地应用于油田开采、输送和精练设备中,同时也广泛用于石油化工、化工、煤气、天然气、液化石油气、暖通行业以及一般工业中。工···
进口三通内螺纹铜芯旋塞阀
产品说明BX44W三通保温旋塞阀@德国NOOK诺克是关闭件或柱塞形的旋转阀,通过旋转90度使阀塞上的通道口与阀体上的通道口相通或分开,实现开启或关闭的一种阀门。旋塞阀广泛地应用于油田开采、输送和精练设备中,同时也广泛用于石油化工、化工、煤气、天然气、液化石油气、暖通行业以及一般工业中。工作原理它的阀···
进口三通保温旋塞阀
产品说明BX43W沥青专用旋塞阀@德国NOOK诺克主要用于沥青管路上,作为开启或关闭或切换作用。通过保温夹层加循环蒸汽、或热水、或导热油来保证沥青不结晶,从而保护沥青在管路上正常流动。广泛地应用于油田开采、输送和精练设备中,同时也广泛用于石油化工、化工、煤气、天然气、液化石油气、暖通行业以及一般工业···
进口沥青专用旋塞阀
产品说明BX43W沥青专用保温旋塞阀@德国NOOK诺克主要用于沥青管路上,作为开启或关闭或切换作用。通过保温夹层加循环蒸汽、或热水、或导热油来保证沥青不结晶,从而保护沥青在管路上正常流动。广泛地应用于油田开采、输送和精练设备中,同时也广泛用于石油化工、化工、煤气、天然气、液化石油气、暖通行业以及一般···
进口沥青专用保温旋塞阀
产品说明BX43W保温旋塞阀@德国NOOK诺克是关闭件或柱塞形的旋转阀,通过旋转90度使阀塞上的通道口与阀体上的通道口相通或分开,实现开启或关闭的一种阀门。旋塞阀广泛地应用于油田开采、输送和精练设备中,同时也广泛用于石油化工、化工、煤气、天然气、液化石油气、暖通行业以及一般工业中。工作原理它的阀塞的···
进口保温旋塞阀
产品说明BX43W二通保温旋塞阀@德国NOOK诺克是关闭件或柱塞形的旋转阀,通过旋转90度使阀塞上的通道口与阀体上的通道口相通或分开,实现开启或关闭的一种阀门。旋塞阀广泛地应用于油田开采、输送和精练设备中,同时也广泛用于石油化工、化工、煤气、天然气、液化石油气、暖通行业以及一般工业中。工作原理它的阀···
进口二通保温旋塞阀
产品说明X43F美标卡套式软密封旋塞阀@德国NOOK诺克由阀体、阀盖、卡套、塞子、及其他零部件组成,通过旋转带孔塞子,使塞子孔与阀体孔对齐或错开,适用于公称压力级class150lb-900lb,工作温度-29-180℃的食品、石油、化工、制药、化肥、电力、贵金属等管路。标准规范设计标准按照API5···
进口美标卡套式软密封旋塞阀
产品说明X43F美标卡套式旋塞阀@德国NOOK诺克由阀体、阀盖、卡套、塞子、及其他零部件组成,通过旋转带孔塞子,使塞子孔与阀体孔对齐或错开,适用于公称压力级class150lb-900lb,工作温度-29-180℃的食品、石油、化工、制药、化肥、电力、贵金属等管路。标准规范设计标准按照API599、···
进口美标卡套式旋塞阀
共有36条数据
首页
上一页
1
2
3
4
下一页
末页
首页
>>
产品中心
>>
进口阀门
>>
进口旋塞阀
产品中心
进口阀门
进口球阀
进口蝶阀
进口闸阀
进口针型阀
进口调节阀
进口电磁阀
进口疏水阀
进口排气阀
进口减压阀
进口阻火器
进口过滤器
进口截止阀
进口安全阀
进口隔膜阀
进口止回阀
进口角座阀
进口真空阀
进口呼吸阀
进口平衡阀
进口旋塞阀
进口放料阀
进口过滤器
进口排污阀
进口排泥阀
进口切断阀
进口管夹阀
进口柱塞阀
进口底阀
进口视镜
进口法兰
进口水力控制阀
进口泵浦
进口隔膜泵
进口离心泵
进口潜水泵
进口螺杆泵
进口真空泵
进口磁力泵
进口屏蔽泵
进口齿轮泵
进口循环泵
进口转子泵
进口化工泵
进口液下泵
进口管道泵
进口多级泵
进口排污泵
进口潜污泵
进口鼓风机
进口流量计
Get Started Instantly!
Request a Call Back Now
Request Now