
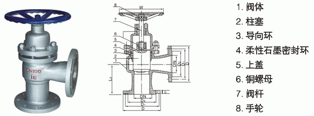
U44SM角式柱塞阀@德国NOOK诺克与直通式柱塞阀的工作原理完全相同,只不过是安装在管线中的位置不同,因而石油、化工、化肥、制药等长输管线中有不少的拐角转弯处,而角式柱塞阀正好装在这个部位,这样不但减少了接管弯头,安装方便,省工、省料等特点。柱塞阀的关闭由一个不锈钢柱塞、上下两只富弹性密封圈及一个金属隔框组成,密封效果由柱塞与密封圈紧密配合来达到,柱塞插在两只密封圈中,密封面积远大于普通截止阀;开关柱塞阀时,柱塞在密封圈中缓慢移动,接触面几乎不磨损,关闭时,柱塞插入下密封圈,截断流道;开启时,柱塞虽然脱离下密封圈,但仍藏在上密封圈内,保持与外界隔离,不致发生泄漏。广泛用于石油化工、化工、煤气、天然气、液化石油气、暖通行业以及一般工业中。
 
| DN(mm)/ 尺寸 (mm)  | U44SM-16C(P) UJ44H-16C.P.R | |||||||||||||||
| 15 | 20 | 25 | 32 | 40 | 50 | 65 | 80 | 100 | 125 | 150 | 200 | 250 | 300 | 350 | 400 | |
| L | 90 | 95 | 100 | 105 | 115 | 125 | 145 | 155 | 175 | 200 | 225 | 275 | 325 | 375 | 425 | 475 | 
| H | 190 | 210 | 220 | 250 | 280 | 300 | 320 | 370 | 420 | 440 | 530 | 610 | 730 | 850 | 970 | 1100 | 
| W | 100 | 100 | 120 | 140 | 160 | 180 | 200 | 240 | 280 | 320 | 350 | 400 | 520 | 640 | 760 | 900 | 
| D | 95 | 105 | 115 | 135 | 145 | 160 | 180 | 195 | 215 | 245 | 280 | 335 | 405 | 460 | 520 | 580 | 
| D1 | 65 | 75 | 85 | 100 | 110 | 125 | 145 | 160 | 180 | 210 | 240 | 295 | 355 | 410 | 470 | 525 | 
| D2 | 45 | 55 | 65 | 78 | 85 | 100 | 120 | 135 | 155 | 188 | 210 | 265 | 295 | 375 | 435 | 485 | 
| b | 12 | 12 | 12 | 13 | 13 | 13 | 15 | 17 | 17 | 19 | 21 | 23 | 27 | 28 | 30 | 32 | 
| Z-φd | 4-14 | 4-14 | 4-14 | 4-18 | 4-18 | 4-18 | 4-18 | 8-18 | 8-18 | 8-18 | 8-23 | 12-23 | 12-25 | 12-25 | 16-25 | 16-30 | 
| DN(mm)/ 尺寸 (mm)  | U44SM-25(P) UJ44H-25C.P.R | |||||||||||||||
| 15 | 20 | 25 | 32 | 40 | 50 | 65 | 80 | 100 | 125 | 150 | 200 | 250 | 300 | 350 | 400 | |
| L | 90 | 95 | 100 | 105 | 115 | 125 | 145 | 155 | 175 | 200 | 225 | 275 | 325 | 375 | 425 | 475 | 
| H | 190 | 210 | 230 | 260 | 260 | 290 | 320 | 370 | 420 | 460 | 530 | 610 | 730 | 850 | 970 | 1100 | 
| W | 100 | 100 | 110 | 140 | 160 | 180 | 200 | 240 | 280 | 320 | 350 | 400 | 520 | 640 | 760 | 900 | 
| D | 95 | 105 | 115 | 135 | 145 | 160 | 180 | 195 | 230 | 270 | 300 | 360 | 425 | 485 | 550 | 610 | 
| D1 | 65 | 75 | 85 | 100 | 110 | 125 | 145 | 160 | 190 | 220 | 250 | 310 | 370 | 430 | 490 | 550 | 
| D2 | 45 | 55 | 65 | 78 | 85 | 100 | 120 | 135 | 160 | 188 | 218 | 282 | 345 | 408 | 465 | 535 | 
| b | 14 | 14 | 14 | 15 | 15 | 170 | 19 | 19 | 21 | 25 | 27 | 31 | 33 | 36 | 40 | 44 | 
| Z-φd | 4-14 | 4-14 | 4-14 | 4-18 | 4-18 | 4-18 | 8-18 | 8-18 | 8-23 | 8-25 | 8-25 | 12-25 | 12-30 | 16-30 | 16-34 | 16-34 |