
德国NOOK诺克@进口温度变送器(Thermo-transmitter)又称热电偶或测温仪,是一种测量温度的传感器。是与温度传感器与变送器的完美结合,尤其在变送器方面更是选用进口全自隔离器的产品、对于现场存在干扰较大的场合应用更是带来较大的做用,一体化变送器以十分简捷的方式把-200~+1600℃范围内的温度信号转换为二线制4~20mA、0-10V、0-5CDC的的模拟量信号传输给显示仪表、调节器、记录仪、DCS等实现对温度的精确测量和控制,一体化温度变送器是现代工业现场、科研院所温度测控的更新换代产品,是集散系统、数字总线系统的必备产品。
当被测介质流过敏感元件时,在元件中产生相应的电动势和电流信号。根据电动势大小可判断出被测介质的温度值;根据电流的大小可确定出所测量的温度值范围。
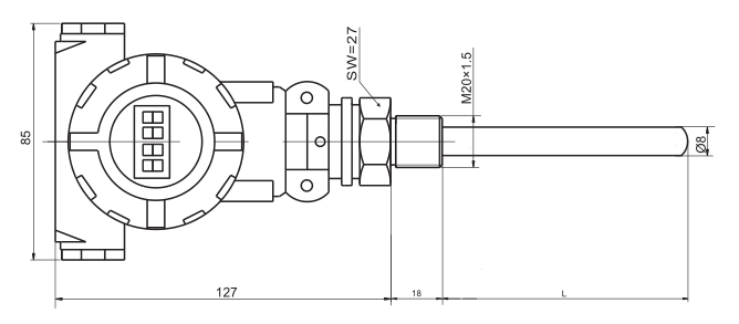
主要由感温元件(热电偶)、放大电路和输出显示仪表组成。一般由接线盒、接线端子板和固定架组成基本结构单元。由于使用环境的不同和使用要求不同,其结构和材料也不尽相同:
(1)热电偶:由两根不同的金属丝组成闭合回路,当有热量从高温端进入时(与冷端温差较大),在冷端中产生热电流并作用于指针(相当于加热电路),使指针偏转一定的角度,用来表示这种物质的热度;当有冷的物体从低温端移动到高温端时(与冷端的温差较小),在高温端产生热电流并作用于指针(相当于冷却电路),使指针偏转一定的角度,用来表示这种物质的冷度。(注意:为了安全使用和维护方便起见,通常用双金属片作为传热的导体)
(2)放大电路:把输入信号放大到足以驱动输出装置的功率输出级。(注意:为防止干扰信号的引入及保护线路中的其它设备不受干扰影响而采取必要的措施)。
(3)输出显示仪表:用于直接显示出测量结果。(注:1对于精度较高的产品应采用多圈电位器。2对于高精度的模拟式温控表还应采用电子线路进行修正。)
●超小型(模块φ44×18)一体化,通用性强
●二线制4~20mADC输出。传输距离远,抗干扰能力强。
●冷端、温漂、非线形自动补偿。
●测量精度高,长期稳定性好。
●温度模块内部采用环氧树脂浇注工艺,适应于各种恶劣和危险场所使用。
●一体化设计,结构简单合理,可直接替换普通装配式热电偶、热电阻。
●机械保护IP65。
●采用热电偶温变,可免用补偿导线,降低成本
●液晶、数码管、指针等多种指示功能方便现场适时监控。
●现场环境温度>70℃时,变送器和现场显示仪表可采用分离(隔离)式安装
●防爆等级:dIIBT4、dIIBT5。
●防护等级:IP54
●同时具备RS485通讯和4~20mA输出
●量程比:不超过3:1
●主干线支持255台RS485设备
●独有的抗射频干扰技术,完美匹配数传电台远程监控
●抗雷击技术,保障无故障服务
●MODBUS协议RTU代码
●精度高量程、零点外部连续可调
●二线制4~20mA、0-10V、0-5VDC模拟量输出、传输距离远、抗干扰能力强
●稳定性能好、正迁移可达500%、负迁移可达600%
●二线制、三线制、四线制
●阻尼可调、耐过压、固体传感器设计
●无机械可动部件、维修量少
●全系列统一结构、互换性强、小型化
●接触介质的膜片材料可选、单边抗过压强
广泛应用于电网、电力设备、地铁、石油、化工、冶金、轻纺、造纸、环保、食品、污水处理、科研、军工、实验室、高等院校、暖通、电子、建材、陶瓷厂等工业邻域。

| 类别 | 性能参数 |
| 输入类型 | K、E、S、B、T、J等型热电偶、PT100、PT1000、CU50热电阻 |
| 信号输出 | 4-20MA、0-5V、0-10V |
| 冷端温度补偿 | -15~+75℃ |
| 标准精度 | ±0.2%、±0.75%、±0.1%F.S |
| 稳定性 | 0.25%60个月 |
| 工作电源 | 24VDC |
| 响应时间 | <1S(0~90%) |
| 环境温度 | -20~+70℃ |
| 选型需知 | 选型需提供:输入类型、温度范围、安装方式等参数 |
| 类别 | SBWR、SBWZ模块式温变 | SBWR、SBWZ一体化温变 |
| 准确度 | 0.2%F.S0.5%F.S | |
| 输入 | 热电偶:B、S、T、K、J 热电阻:Pt100、Pt10、Cu100、Cu50 | |
| 输出 | 二线制4-20mADC | |
| 使用温度 | -25-85℃(一体化LCD表头时0-60℃) | |
| 温度影响 | ≤0.05%/℃ | |
| 湿度 | 5-95%RH | |
| 现场显示 | 无 | 3 1/2LED31/2LCD0-100%等分刻度 |
| 显示精度 | 无 | 数字式:0.5级指针式:2.0级 |
| 负载能力 | <600Ω(额定负载250Ω) | |
| 外形尺寸 | 44×18 | 70×100(中继器) |
| 型号 | 类别 | 感温元件 材料 | 现场显示 | 安装固定 方式 | 接线 盒形式 | 保护 管直径 | 隔爆标志 | 内芯结构 | 保护管特征 | 说明 |
| SBW | 温度变送器 | |||||||||
| R | 热电偶 | |||||||||
| Z | 热电阻 | |||||||||
| M | 镍铬硅-镍铬{N} | |||||||||
| N | 镍铬-镍硅{K} | |||||||||
| E | 镍铬-铜镍{E} | |||||||||
| F | 铁-铜镍{J} | |||||||||
| C | 铜-铜镍{T} | |||||||||
| P | 铂{Pt100} | |||||||||
| C | 铜{Cu50} | |||||||||
| Y | 现场液晶显示 | |||||||||
| 1 | 无固定装置 | |||||||||
| 2 | 固定螺纹 | |||||||||
| 3 | 活动法兰 | |||||||||
| 4 | 固定法兰 | |||||||||
| 5 | 活络管接头式 | |||||||||
| 6 | 固定螺纹锥形式 | |||||||||
| 7 | 直形管接头式 | |||||||||
| 8 | 固定螺纹管接头式 | |||||||||
| 9 | 活动螺纹管接头式 | |||||||||
| 2 | 防喷式 | |||||||||
| 3 | 防水式 | |||||||||
| 4 | 防爆式 | |||||||||
| 0 | Ф16 | |||||||||
| 1 | Ф12 | |||||||||
| 2 | Ф16高铝质管 | |||||||||
| 3 | Ф20高铝质管 | |||||||||
| B | 隔爆 | |||||||||
| 无 | 普通元件 | |||||||||
| K | 铠装元件 | |||||||||
| F | 防腐型 | |||||||||
| N | 耐磨型 | |||||||||
| SBW | Z | P | 无 | 2 | 3 | 0 | 无 | K | 无 | 典型型号选型 |