
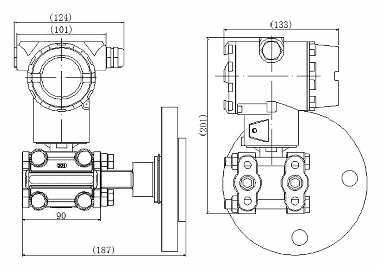
德国NOOK诺克@进口单法兰液位变送器是一种单面法兰直接安装在管道或容器上的现场变送器。由于隔离膜片直接与液体介质相接触,无须将正压侧用导压管引出,因此可以测量高温、高粘度、易结晶、易沉淀和强腐蚀等介质的液位、压力和密度,单法兰液位变送器结构上是由差压变送器和焊接安装的液位法兰组成。作用在高压侧的压力,首先经过液位法兰上膜片和填充液,再经变送器本体,最后到测量传感器的高压侧。单法兰液位变送器主要应用于测量罐体液位,然后将其转变成4~20mADC/HART电流信号输出。
单法兰液位变送器测设备之间用毛细管连接即成为单法兰远传压力变送器,是一种通过安装在管道或容器上的远传装置来感受被测压力,该压力经毛细管内的灌充硅油(或其它的液体)传递至变送器的主体,然后由变送器主体内的δ室和放大线路板,将压力或差压转换4~20mA.DC信号输出,与符合HART协议的手操器配合,可以相互通讯,进行设定和监控。单法兰液位变送器可对各种容器进行液位、密度的精度测量,有平法兰和插入式法兰两种,适用于高粘度介质或悬浮液体测量。法兰式液位变送器可对各种容器、储罐内的液体的液位进行精确的测量,法兰式液位变送器有单法兰液位变送器和双法兰液位变送器两种。单法兰液位变送器是用于测量容器、储罐内无外部工作压力的液体的液位,双法兰液位变送器测量容器、储罐内有系统工作压力的液体的液位。法兰式液位变送器被广泛应用于石油、化工、冶金、钢铁、环保水处理等行业对密闭或者敞口容器或者储罐内的液体的液位测量。
1、高温下粘稠介质;
2、易结晶的介质;
3、带有固体颗粒或悬浮物的沉淀性介质;
4、强腐蚀或剧毒性介质;
5、可消除导压管泄漏污染周围环境现象的发生;可免去采用隔离液时,因测量信号的不稳定,需要经常补充隔离液的繁琐工作;
6、连续测量界面和密度;
7、远传装置可避免不同瞬间介质的交混,从而使测量结果真实地反映过程变化的实际情况;
8、卫生清洁要求很高的场合;
9、如食品、饮料和医药工业生产中,不仅要求变送器接触介质部位符合卫生标准,并且应便于冲洗,以防止不同批量介质的交叉污染。
1、逐台进行模拟“在线运行”考核,保证变送器在极限环境温度、介质温度和工作压力(包括正压或真空)下,稳定而可靠地工作。
2、采用“动态型面”远传膜片结构,超载后膜片不会受损;长期工作后精度不会发生变化。
3、选用全熔焊和刚性密封结构的灌充系统,根除了漏油现象的发生。
4、设计新颖的毛细管结合部件,使毛细管得到可靠的保护,在现场使用不易折断。
5、品种、形式和尺寸多样的远传装置,以及丰富的灌充液种类,可以满足各种不同场合的测量需要。
6、可提供各种特殊需要产品,包括高温、高真空、快响应和不等长毛细管(长度≤3米)远传压力变送器。
7、单法兰液位计是对压力变送器技术的延伸和发展,根据不同比重的液体在不同高度所产生压力成线性关系的原理,实现对水、油及糊状物的体积、液高、重量的准确测量和传送。
1、指示新颖、读数直观、醒目、观察指示器的方向可根据用户需要改变角度。
2、结构简单:无任何可动或弹性元件,因此呆靠性级高,维护量极少。
3、安装方便:内装式结构尤其显示出这一特点,无需任何专用工具。
4、调整方便:零位、量程两个电位器可在液位检测有效范围内任意进行零点迁移或量程的改变,两个调整互不影响。
5、用途广泛;适用于高温高压、强腐蚀等介质的液位测量。
6、测量范围大,不受贮槽高度的限制。
7、指示机构与被测介质完全隔离,密封性好,可靠性高,使用安全。
8、具备本安防爆和隔离防爆能力,可应用于各种危险场所。
9、具有防阻塞型设计可实现对糊状介质液位的测量。
10、精细独特的零点、满程、非线性补偿,保证仪表使用条件范围内的精度,长期稳定性好。
●测量对象:粘稠的、温度较高的液体
●量程代码最小量程最大量程额定压力(最大值)
●LT41kPa6kPa液位法兰的额定压力
●LT54kPa40kPa
●LT625kPa250kPa
●LT7200kPa3MPa
●测量膜盒:不锈钢316L
●测量膜片:不锈钢316L、哈氏合金C、钽膜片、FEP、PFA、PTFE覆膜
●过程法兰:不锈钢304
●填充液:硅油、氟油
●密封圈:丁腈橡胶(NBR)、氟橡胶(FKM)、聚四氟乙烯(PTFE)
●变送器外壳:铝合金材质,外表喷涂环氧树脂
●外壳密封圈:丁腈橡胶(NBR)
●电气连接:M20×1.5电缆密封扣,接线端子适用于0.5mm2~2.5mm²的导线
●过程连接:压力连接:法兰直接安装,法兰规格见选型表
●低压侧压力容室上有NPT1/4内螺纹,连接附件见选型表
●重量:DN50/2"约7kg~10kg;DN80/3"约8kg~11kg;DN100/4"约9kg~12kg
●外壳防护等级:IP67

| NK-3051LT | 进口单法兰液位变送器 | |||||||||
| 代码 | 量程范围KPa | |||||||||
| 3 | 0-1.3~7.5 | |||||||||
| 4 | 0-4-40 | |||||||||
| 5 | 0-40~200 | |||||||||
| 6 | 0-0.16~700 | |||||||||
| 代码 | 输出 | |||||||||
| E | 4-20mA | |||||||||
| S | 智能式(HART协议) | |||||||||
| 代码 | 公称直径尺寸(mm) | 插入筒长度(mm) | 高压侧隔膜片材料 | |||||||
| A0 | (3〞)80 | 平 | 316LSST | |||||||
| A2 | (3〞)80 | 50 | 316LSST | |||||||
| A4 | (3〞)80 | 100 | 316LSST | |||||||
| A6 | (3〞)80 | 150 | 316LSST | |||||||
| B0 | (4〞)100 | 平 | 316LSST | |||||||
| B2 | (4〞)100 | 50 | 316LSST | |||||||
| B4 | (4〞)100 | 100 | 316LSST | |||||||
| B6 | (4〞)100 | 150 | 316LSST | |||||||
| C0 | (3〞)80 | 平 | 哈氏C-276 | |||||||
| C2 | (3〞)80 | 50 | 哈氏C-276 | |||||||
| C4 | (3〞)80 | 100 | 哈氏C-276 | |||||||
| C6 | (3〞)80 | 150 | 哈氏C-276 | |||||||
| D0 | (4〞)100 | 平 | 哈氏C-276 | |||||||
| D2 | (4〞)100 | 50 | 哈氏C-276 | |||||||
| D4 | (4〞)100 | 100 | 哈氏C-276 | |||||||
| D6 | (4〞)100 | 150 | 哈氏C-276 | |||||||
| E0 | (3〞)80 | 平 | 钽 | |||||||
| F0 | (4〞)100 | 平 | 钽 | |||||||
| 代码 | 安装法兰 | |||||||||
| A | 3〞150lb | |||||||||
| B | 4〞150lb | |||||||||
| C | 3〞300lb | |||||||||
| D | 4〞300lb | |||||||||
| 代码 | 结构材料 | |||||||||
| 法兰和接头 | 排气/排液阀 | 隔离膜片 | 灌充液体 | |||||||
| 22 | 316不锈钢 | 316不锈钢 | 316不锈钢 | 硅油 | ||||||
| 23 | 316不锈钢 | 316不锈钢 | 哈氏合金C | |||||||
| 24 | 316不锈钢 | 316不锈钢 | 蒙乃尔 | |||||||
| 25 | 316不锈钢 | 316不锈钢 | 钽 | |||||||
| 33 | 哈氏合金C | 哈氏合金C | 哈氏合金C | |||||||
| 35 | 哈氏合金C | 哈氏合金C | 钽 | |||||||
| 代码 | 选项 | |||||||||
| M1 | 0-100%线性指示表 | |||||||||
| M2 | LED显示表 | |||||||||
| M3 | LCD显示表 | |||||||||
| B1 | 管装弯支架 | |||||||||
| B2 | 板装弯支架 | |||||||||
| B3 | 管装平支架 | |||||||||
| D1 | 侧面泄放阀在压力室上部 | |||||||||
| D2 | 侧面泄放阀在压力室下部 | |||||||||
| 不注 | 1/2NPT锥管螺纹接头 | |||||||||
| C2 | 丁字形螺纹接头M20×1.5,带后部焊接Ф14 | |||||||||
| 引压管的球锥连接头 | ||||||||||
| d | 隔爆型dⅡBT4 | |||||||||
| i | 本安型iaⅡCT6 | |||||||||


| No. | Flangesize | BoltHole | RatedPressure Mpa | ||||||
| Flangesize | OD D(mm) | ID B(mm) | Sealface C(mm) | Thickness A(mm) | No. n | Diameter d(mm) | BoltCircle D1(mm) | ||
| 1 | 2”150LB | 152 | 48 | 92 | 18 | 4 | 19 | 121 | 2.5 |
| 2 | 2”300LB | 165 | 48 | 92 | 21 | 4 | 19 | 127 | 5 |
| 3 | 3”150LB | 190 | 66 | 127 | 22 | 4 | 19 | 152 | 2.5 |
| 4 | 3”300LB | 210 | 66 | 127 | 27 | 8 | 22 | 168 | 5 |
| 5 | 4”150LB | 229 | 89 | 157 | 30 | 8 | 19 | 190 | 2.5 |
| 6 | 4”300LB | 255 | 89 | 157 | 32 | 8 | 22 | 200 | 5 |
| 7 | DN25(PN2.5/4.0) | 165 | 48 | 92 | 21 | 4 | 22 | 125 | 4 |
| 8 | DN80(PN2.5/4.0) | 215 | 66 | 127 | 24 | 8 | 160 | 4 | |
| 9 | DN100(PN2.5/4.0) | 235 | 89 | 157 | 28 | 8 | 22 | 190 | 4 |
1、结构组成:
由差压变送器、毛细管和带密封隔膜的法兰组成。密封隔膜的作用是防止管道中的介质直接进入差压变送器,它与变送器之间是靠注满液体(一般采用硅油)的毛细管连接起来的,当膜片受压后产生微小变形,变形位移或频率通过毛细管的液体传递给变送器,由变送器处理后转换成输出信号。
2、外观检查:
a、法兰检查:检查法兰与设备连接部分的密封是否良好;法兰与毛细管、毛细管与变送器的连接部分及毛细管本身是否有液体泄漏;法兰膜片有无变形、损伤、腐蚀、结垢等不良情况。
b、变送器检查:检查变送器外壳有无损伤、腐蚀和其他故障,发现问题及时处理。
3、验收:
a、打开变送器外盖,先检查密封圈有无损坏,如果损坏要及时更换;检查电路板及其他元器件是否良好。
b、检查变送器接线情况是否良好。
c、断开电源,卸下接线,进行绝缘电阻检查,用500V兆欧表检查变送器接线端子与外壳间的绝缘电阻,该电阻值应大于20M以上。
4、调试校验
a为了保证变送器的测量精度,不能拆开毛细管,所以校验变送器时要与法兰一起校验;在安装前,可用气压模拟信号与HART通讯器进行校验。
b、零点和量程调整步骤:调整零点和量程输出,使其在允许误差范围内。连续加压,用量程0%,25%,50%,75%,150%的压力进行校验,当压力稳定后记录标准电流表上显示的电流值并做回程误差校验。如果校验误差超过允许误差范围,应重新调整校验。调整时用HART操作,调整方法见相应的HART使用说明。
4、安装:
a、远传法兰的安装:
高、低压两侧法兰应正确安装,不能装反;为减小环境温度差的影响,可将高、低压侧的毛细管束在一起,并固定以防止风以及振动等的影响(超长部分的毛细管应卷在一起固定);注意不要损伤接液膜片的表面。不要扭曲,挤压毛细管,也不要对它施加过大的压力。
b、变送器本体的安装:使用安装托架,将变送器本体安装在直径为50mm管道上。可进行水平配管安装以及垂直配管安装。
5、注意事项:
a、紧固测量容室的四颗螺栓、连接毛细管和容室部分的固定螺钉不可松动,以防止封入液泄漏,造成仪表损坏。
b、配线时应避开大容量的变压器、电动机或动力用电源等干扰源;配线时应拆开电源接口的防尘塞;螺纹部应进行防水处理(防水处理时需使用不硬化的硅树脂系列密封剂);为防止干扰,信号电缆应避免与其他电源电缆穿入同一根电缆保护管;对于防爆型仪表,为确保防爆性能,必须按有关规定配线。
是一种常用的由于变送器,在良多的行业傍边都有必定的利用。用户在应用的时间有良多的成绩是须要懂得的,假如在应用的时间不留神是很轻易形成的破坏的。那么详细的办法是什么?那么就来详细介绍一下吧。
1、在丈量气体的压力时,取压口要开在流程管道的顶端,且也要装置在流程管道的上部以便让堆积的液体疾速注入到流程管道中。
2、接线时,将电缆穿过防水讨论(附件)或绕性管并拧严密封螺帽,以防雨水等经由过程电缆渗漏进变送器壳体内。
3、在夏季时产生冰冻时,装置在室外的变送器必须采用防冻办法,防止引压口内的液体因结冰体积收缩,导至传感器破坏。
4、丈量液体压力时,法兰液位变送器的装置地位应防止液体的打击(就是水锤景象),免得传感器过压破坏位。
5、要留神传感器的导压管要装置在温度稳定小的处所。
6、丈量蒸汽或别的低温介质时,需接加缓冲管(盘管)等冷凝器,不该使变送器的任务温度超越极限。
7、在丈量液体压力时,取压口应开在流程管道正面,以防止积淀积渣。
8、要避免与腐化性或过热的介质打仗,还要避免垃圾在导管内堆积。